Project Description

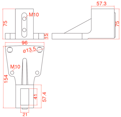
Zamak railing feet 40×20 displaced

Reference: 0659

Description:

  • Zamak railing feet 40 x 20 displaced.

Technical Features:

WE HELP YOU?

If you need more information about any product you can request it using the following form.

I accept the Privacy Policy